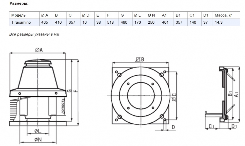
Каминный дымосос Vortice Tiracamino TC 10 M
Предназначен для установки на дымоходах и крышах зданий
различной площади для удаления дымовых газов из каминов, печей, мангалов.
Можно применять в качестве обычного крышного вытяжного вентилятора.
• Основание изготовлено из фосфатированной штампованной стали, с эпоксидным
покрытием, что существенно снижает воздействие атмосферных явлений и исключает
коррозию корпуса.
• Аэродинамический контур впускного отверстия для оптимальной производительности,
выполненный в виде единого блока с основанием и измеренный для оптимизации
воздушного потока.
• Корпус из прессованной стали: протравленная и фосфатированная поверхность,
покрытая полиэфирной порошковой краской, цвет серый, с кованой текстурой.
• Асинхронный двигатель с тепловой защитой от перегрузки и поворотом вала в
шарикоподшипниках, соединенный с рабочим колесом с загнутыми назад лопатками с
динамически сбалансированными самоочищающимися алюминиевыми лопастями (UNI
ISO 1940, точка 1 - класс 6.3).
• Максимальный поток воздуха: 750 м3 / ч.
• Защитная решетка с кольцами против птиц (в соответствии со стандартом UNI ISO
13857), изготовлена из электросварной стали; эпоксидная краска, цвет черный.
• Подрамник для крепления прибора к дымовой трубе.
• Оборудованы стальной предохранительной проволокой для крепления прибора после
его установки.
• Предназначены для использования при постоянной рабочей температуре 200 ° C.
• Регулятор переменной скорости входит в стандартную комплектацию.
| Мощность: | 120 Вт |
| Страна производства: | Италия |
| Уровень шума: | 52 дБ |
| Класс защиты: | IPX4 |
| Макс. рабочая температура: | +200 °С |
| Воздухообмен: | 7500 куб. м/час |
Авторизуйтесь, чтобы оставить отзыв: Войти




